Nastavení ochrany soukromí na bola.cz
Nezbytné cookies: Nutné pro správné fungování webu. Tyto nelze deaktivovat.
Analytické cookies: Pomáhají nám porozumět, jak používáte náš web, což nám umožňuje jej vylepšovat. Patří sem Google Analytics.
Marketingové cookies: Používají se ke sledování návštěvníků napříč weby za účelem zobrazování relevantních reklam. Patří sem Google Ads a technologie Google Enhanced Conversions.
Osobní odběr zboží: Severní 276, Jinočany - Kontakt
Máte dotaz? +420 311 257 435
Tlakový spínač Honeywell DCM6 k hlídání přetlaku. Více informací
V pondělí u Vás.
| Krytí IP | IP 54 |
| Rozsah tlaku | 50...600 kPa |
| Typ připojení | Vnější závit |
| Velikost připojení | DN 15 |
| Hmotnost | 0.60 kg |
Katalogový list eng ke stažení
Stáhnout PDFUniverzální tlakový spínač Honeywell DCM6 slouží ke spínání a hlídání přetlaku. Uplatnění najde ve strojírenství, tiskařském průmyslu, pneumatice a hydraulice. Spínač je primárně určen pro klesající tlak, nastavení spínací hodnoty na stupnici proto odpovídá bodu při klesajícím tlaku. Resetovací bod spínače je pak vyšší o hodnotu rozdílu obou hodnot. Oblast mezi resetovacím bodem a spínací hodnou určuje diferenční toleranci, ve které se můž tlak libovolně pohybovat, aniž by došlo k sepnutí. Rozsah tolerance je pevně nastavený z výroby a nelze přenastavit.

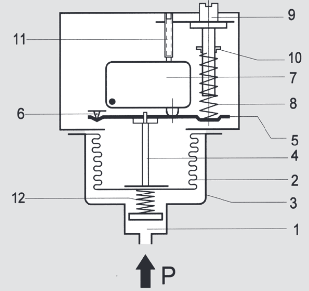
Tlak procházející spínačem skrze připojení (1) působí na měřící měchy (2). Při jeho změně dojde k pohybu měchů, jejich pohyb je přenášen skrze přítlačný čep (4) na spojovací můstek (5). Při stoupajícím tlaku můstek tlačí na spínací prvek (7) a ovládá ho. Protiváhu zajišťuje pružina (8). Pomocí šroubu (11) lze kalibrovat spínací prvek. Protitlaková pružina (12) je určena pro stabilní spínání i při nízké nastavené hodnotě.
Na Vaše dotazy k produktům odpovídáme co nejrychleji, obvykle do 24 hodin.
O nákupu
O společnosti
Kontakt
Doprava


Platba
Copyright © 2026 BOLA spol s.r.o.
Bola.cz
Nenašli jste to, co jste chtěli vědět?