Nastavení ochrany soukromí na bola.cz
Nezbytné cookies: Nutné pro správné fungování webu. Tyto nelze deaktivovat.
Analytické cookies: Pomáhají nám porozumět, jak používáte náš web, což nám umožňuje jej vylepšovat. Patří sem Google Analytics.
Marketingové cookies: Používají se ke sledování návštěvníků napříč weby za účelem zobrazování relevantních reklam. Patří sem Google Ads a technologie Google Enhanced Conversions.
Osobní odběr zboží: Severní 276, Jinočany - Kontakt
Máte dotaz? +420 311 257 435
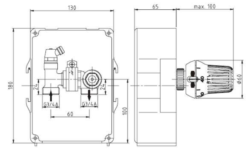
Sada omezovače teploty vratné vody pro soustavy podlahového vytápění. Nastavení teploty v rozsahu 20...50 °C. Termostat vyčnívá z pouzdra ven. Více informací
V pondělí 23.2. u Vás.
| Materiál | Mosaz |
| Průtok | 1 m3/h |
| Teplota otevření | 20...50 °C |
| Typ připojení | Vnější závit |
| Velikost připojení | DN 15 |
| Hmotnost | 1.35 kg |
Katalogový list ke stažení
Stáhnout PDFSada je určená k omezení teploty zpátečky v systémech podlahového vytápění a v soustavách kombinujícíh podlahové vytápění s jinými otopnými tělesy. Aby nedošlo k poškození podlahové krytiny je nutné dbát na správnou hodnotu přívodní teploty. Omezovač teploty lze nastavit pro teplotu v rozsahu 20...50 °C. Nastavitelná termostatická hlavice vyčnívá z pouzdra ven.
Instalace omezovače probíhá na vratné straně otopných těles či podlahového vytápění. Průtok ventilem je řízen dle teploty procházející vody. Jakmile teplota vratné vody stoupne, ventil průtok sníží. Pokud teplota klesne, ventil naopak průtok zvýší.
Na Vaše dotazy k produktům odpovídáme co nejrychleji, obvykle do 24 hodin.
O nákupu
O společnosti
Kontakt
Doprava


Platba
Copyright © 2026 BOLA spol s.r.o.
Bola.cz

Nenašli jste to, co jste chtěli vědět?