Nastavení ochrany soukromí na bola.cz
Nezbytné cookies: Nutné pro správné fungování webu. Tyto nelze deaktivovat.
Analytické cookies: Pomáhají nám porozumět, jak používáte náš web, což nám umožňuje jej vylepšovat. Patří sem Google Analytics.
Marketingové cookies: Používají se ke sledování návštěvníků napříč weby za účelem zobrazování relevantních reklam. Patří sem Google Ads a technologie Google Enhanced Conversions.
Osobní odběr zboží: Severní 276, Jinočany - Kontakt
Máte dotaz? +420 311 257 435
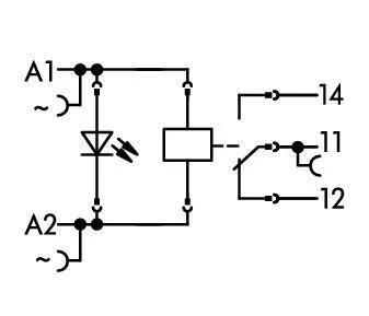
Reléový modul WAGO. Více informací
V pondělí u Vás.
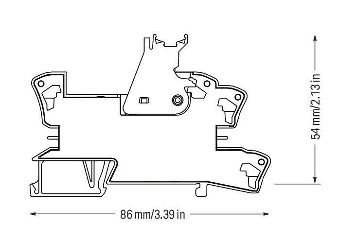
| Jmenovitý průřez vodiče | 2,5 mm2 |
| Jmenovitý proud | 16 A |
| Napájení | 230 VAC |
| Hmotnost | 0.05 kg |
Datový list ke stažení
Stáhnout PDFReléový modul slouží ke spínání připojených zařízeních. Stav sepnutí je indikován LED diodou v červené barvě.

Na Vaše dotazy k produktům odpovídáme co nejrychleji, obvykle do 24 hodin.
O nákupu
O společnosti
Kontakt
Doprava


Platba
Copyright © 2026 BOLA spol s.r.o.
Bola.cz


Nenašli jste to, co jste chtěli vědět?